






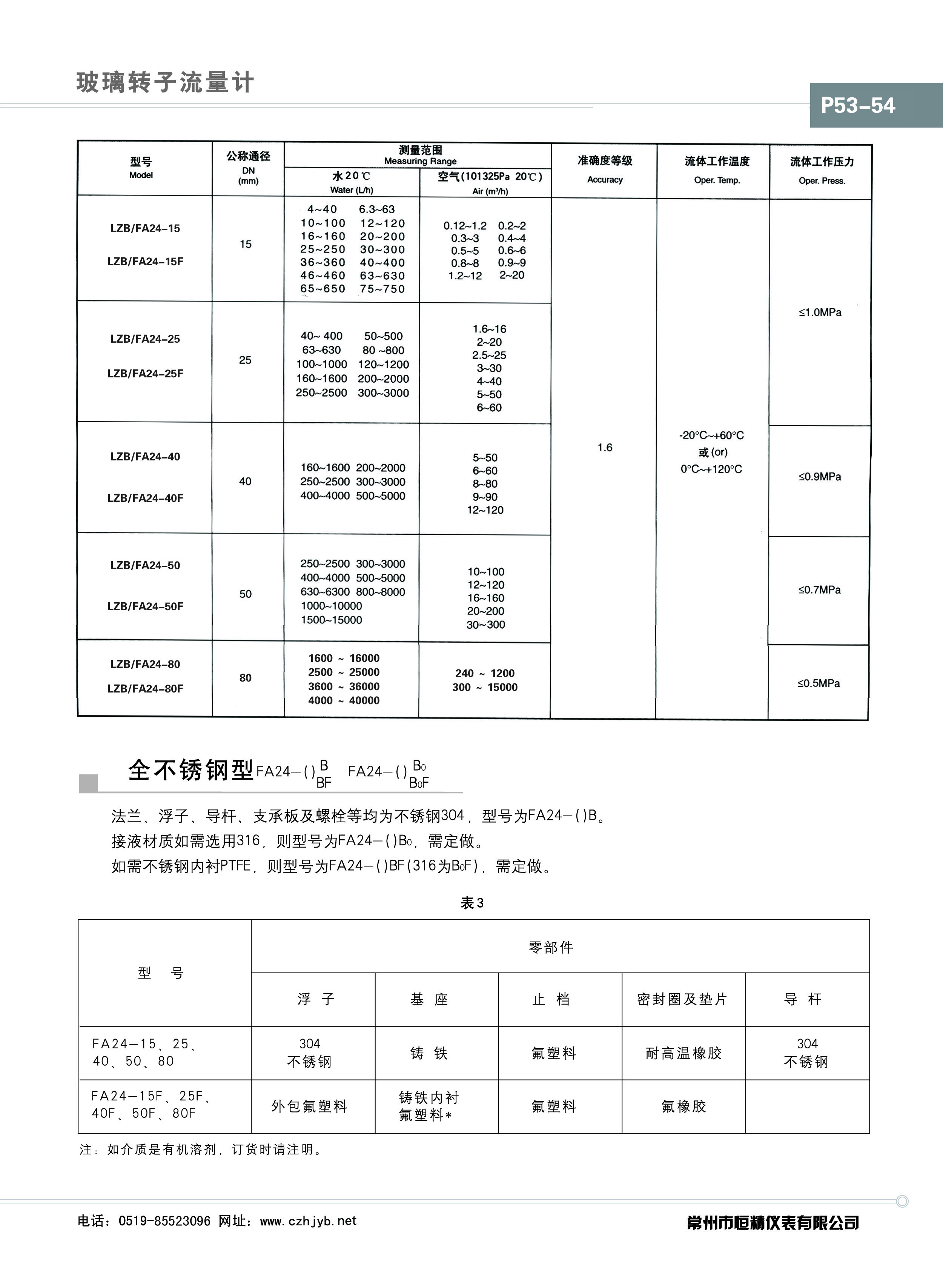
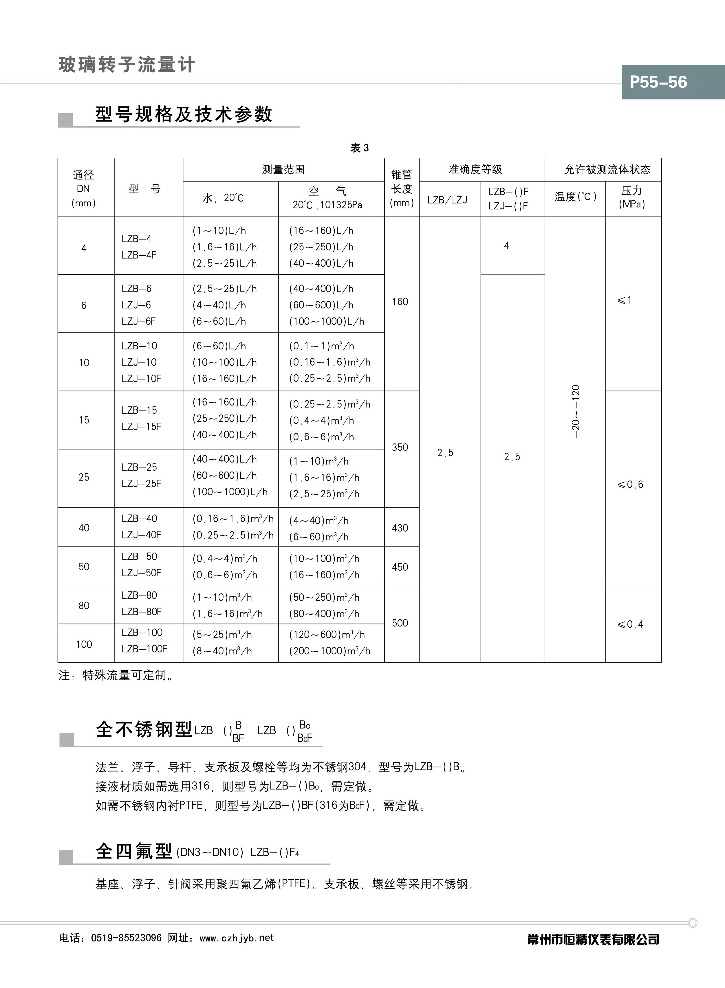
玻璃流量計是一種測量流體(液體或氣體)流量的過程測量儀器。該玻璃轉子流量計采用德國VDI/VDE3513標準和國家JB/T9255標準。與國內同類產品相比,德國標準流量計具有測量精度高、互換性好、流量范圍寬、連接方式多、安裝維護方便等優點。同時,根據不同的流體溫度、壓力、密度、粘度等物理量,為用戶提供不同的流體、不同的粘度、不同狀態的流量標尺,解決了數值校正問題。極大方便用戶使用。玻璃轉子流量計是一種變面積流量計。它主要由一個由下向上膨脹的錐形玻璃管和一個可以隨流量上下移動的浮子組成。當流體自底向上流經錐管時,浮子上升過程中流體動能產生的升力和流體的浮力就是浮子的上升。隨著錐管內壁與浮子之間環形流動面積的增大,流體動能對浮子產生的升力減小。當浮子的升力和浮力之和等于浮子本身的重力時,浮子在一定高度上處于平衡和穩定狀態。這個高度的刻度表示通過流量計的流量值。

















掃一掃